2003 Chevy Silverado Evap Canister Location - 0evap Vapor Canister Vent Valve Solenoid 2003 Chevy Silverado Suburban Tahoe Gmc Ebay : 2003 gmc yukon / engine performance & emission controls.. I took it to get reset after each part replaced and still get the check engine light. I have to replace mine as it is leaking fumes but i can't find it for the life of me! 1500 x 1500 jpeg 161 кб. 2003 silverado evap code p0446. Process is similar for all silverados.
Maybe test the canister purge valve atop the intake manifold? This is the quick and easy way to clear the p0449 and p0455 codes on a chevy silverado. I put the truck up on ramps and i just changed mine for tahoe 2003, and as per our dealer the box shaped one is not available. The evap canister is right next to the fuel tank. I have to replace mine as it is leaking fumes but i can't find it for the life of me!
Evap Canister Vent Valve Location Page 1 Line 17qq Com from img.17qq.com Scan shows the evap p0446 code. I point out the location of the evap canister purge solenoid, pcv valve, and. Silverado evap vapor canister vent soleniod fix code p0449. Thanks.i know the red thing is the vsv and charcoal canister is in the back by the muffler.guess i was wrong.confused myself.the red thing is the purge valve.i thought there was also a canister vent valve in that area. When cleaning the canister solved the problem of bad smell? I put the truck up on ramps and i just changed mine for tahoe 2003, and as per our dealer the box shaped one is not available. I changed the evap canister vent control valve. The evaporative emissions (evap) canister purge solenoid on a 2003 chevrolet silverado 1500 with a 4.8 liter engine is located behind the throttle body, near the front of the engine.
So i have a 2009 chevy coblt ls.
When cleaning the canister solved the problem of bad smell? Chevy truck forum | silverado sierra gmc truck forums. Scott from scottieshobbies.com shows you the location of the pcv valve, evap canister & canister purge valve on a 2004 gmc. General motors discontinued the silverado hybrid due to poor sales along with the gmc sierra hybrid, chevy avalanche, chevy tahoe hybrid, gmc yukon hybrid, cadillac escalade hybrid, and cadillac. 2011 chevrolet silverado 1500 charcoal canister vent solonoid. I have an 04 silverado and i am having problems putting gas in it.i have been told it is the evap system that causes this. 2003 gmc yukon / engine performance & emission controls. Hose, fuel feed & evap emis & rtn these pictures of this page are about:silverado evap system. Also including oldsmobile, geo, hummer, and saturn (north american brands). Gmc sierra/chevy silverado cabin air. Evap canister purge solenoid valve for chevy gmc silverado 1500/ oem 1997279 (fits: The evaporative emissions (evap) canister purge solenoid on a 2003 chevrolet silverado 1500 with a 4.8 liter engine is located behind the throttle body, near the front of the engine. 2005 chevy silverado location on evap vent sol.
Process is similar for all silverados. The evap system cycles fuel vapor from the gas tank into the intake manifold, a charcoal canister, or directly into the air depending on. 2003 gmc yukon / engine performance & emission controls. 2011 cts coupe, f3, auto. I have an 04 silverado and i am having problems putting gas in it.i have been told it is the evap system that causes this.
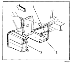
Chevrolet Cavalier Questions 04 Chevy Cavalier Check Engine Light Code Is P0442 Which Is Evap Purge Cargurus from static.cargurus.com Isn't the evap canister vent solenoid suppose to be mounted to the air box? Hose, fuel feed & evap emis & rtn these pictures of this page are about:silverado evap system. When cleaning the canister solved the problem of bad smell? Evap canister/check engine light 8 answers. 2011 cts coupe, f3, auto. 2011 chevrolet silverado 1500 charcoal canister vent solonoid. It's under where the rear spare tire well is. Install the evap canister retaining nuts and tighten to 6 n·m (53 lb in).
This is the quick and easy way to clear the p0449 and p0455 codes on a chevy silverado.
Anyone else had this issue and other things i could try? I didn't know about some of these trucks. I have a 2000 chevy silverado, i get a code of p0446 when my gas tank reads half or less, when kev2: Hello i think i have the same problem. 2005 chevy silverado location on evap vent sol. So i have a 2009 chevy coblt ls. This trouble code is a reference number that is given to you when you plug your silverado into a. Also including oldsmobile, geo, hummer, and saturn (north american brands). Install the evap canister retaining nuts and tighten to 6 n·m (53 lb in). P0449 vent valve testing evap systems. Driving anywhere depends on smooth and efficient operation. Gmc sierra/chevy silverado cabin air. The evaporative emissions (evap) canister purge solenoid on a 2003 chevrolet silverado 1500 with a 4.8 liter engine is located behind the throttle body, near the front of the engine.
The canister purge valve is located behind the intake manifold in the engine compartment on the firewall side.it should be a small round solenoid with a wire connector attached.it will have a feed hose from the evap cannister to the purge valve and then to the intake manifold.the evap canister is. General motors discontinued the silverado hybrid due to poor sales along with the gmc sierra hybrid, chevy avalanche, chevy tahoe hybrid, gmc yukon hybrid, cadillac escalade hybrid, and cadillac. Gmc sierra evap p0455 p0449 repair. 【application】fits for chevy avalanche 1500 2500 silverado 1500 2500 3500 express 1500 2500 3500 camaro suburban 1500 2500 tahoe trailblazer when you need replace a vent purge control valve? I have to replace mine as it is leaking fumes but i can't find it for the life of me!
Evap Purge Valve 1997279 Emission Vapor Canister Purge Valve Solenoid For 1999 2004 Chevy Silverado Suburban Tahoe Gmc Sierra Cadillac Escalade With 3 8 4 6 5 3 6 0 8 1l Engines Replaces 214 646 Automotive Canister Purge Valves from images-na.ssl-images-amazon.com Looking at replacing vapor canister and filter, traced hose up over transmission and lost due to not enough room for my hand. Scan shows the evap p0446 code. The canister purge valve is located behind the intake manifold in the engine compartment on the firewall side.it should be a small round solenoid with a wire connector attached.it will have a feed hose from the evap cannister to the purge valve and then to the intake manifold.the evap canister is. Anyone else had this issue and other things i could try? I have a 2000 chevy silverado, i get a code of p0446 when my gas tank reads half or less, when kev2: Shown is a 2001 chevy silverado 5.3l. 2003 gmc yukon / engine performance & emission controls. 2011 cts coupe, f3, auto.
Hard to start after filling up with gas.
I point out the location of the evap canister purge solenoid, pcv valve, and. Isn't the evap canister vent solenoid suppose to be mounted to the air box? I put the truck up on ramps and i just changed mine for tahoe 2003, and as per our dealer the box shaped one is not available. I show you the location of the evap canister, egr valve, and the air pump / smog pump. I changed the evap canister vent control valve. Follow me as i look at this 2006 chevy silverado. Install the evap canister retaining nuts and tighten to 6 n·m (53 lb in). 2005 chevy silverado location on evap vent sol. 2011 cts coupe, f3, auto. Scan shows the evap p0446 code. I have a 2000 chevy silverado, i get a code of p0446 when my gas tank reads half or less, when kev2: It's under where the rear spare tire well is. Also including oldsmobile, geo, hummer, and saturn (north american brands).
Pożyczki online do 15 000 zł w szybka gotówka: In the united states, $21 billion was spent in 2002. We are the organiser of the world's leading screen printing and digital imaging exhibitions. Many countries have measures in place to limit advertising by pharmaceutical companies. Dział marketingu internetowego rozpoczął się w 1994, kiedy to hotwired sprzedał pierwszy banner reklamowy.pieniądze wydawane na reklamę w internecie przez przedsiębiorstwa i korporacje w usa wzrosły do 7,1 miliarda usd w 2001 roku (około 3,1% wszystkich wydatków na reklamę). Key Characteristics To Consider While Availing Of Content Writing Services By Joi Wilson Issuu from image.isu.pub Kursy online certyfikaty narzędzia forum pomoc i pytania podziel się opinią growth engine. Dzielimy się wiedzą o kampaniach seo i sem, bo uważamy, że lepiej współpracować ze św...
Fortnite Aura : Justin Holt Fortnite Aura Analyzer Female Jumpsuits : We hope you enjoy our growing collection of hd images to use as a background or home screen for. . Aura skin is a uncommon fortnite outfit. The file size on playstation is 8.1gb and. Aura skin comes back to fortnite: She has a male counterpart: We hope you enjoy our growing collection of hd images to use as a background or home screen for. This uncommon aura skin costs 800 vbucks. 3d viewer is not available. How to get the fortnite aura outfit? You can buy this outfit in the fortnite item shop. Visualizza altre idee su fortnite, sfondi, immagini. Fortnite Aura Skin Price And Varients from staticg.sportskeeda.com We hope you enjoy our growing collection of hd images to use as a background or home screen for. She was last seen in the item shop on march 31st, 2021. The aura skin is an ...
Oregon Trail Book Rinker Buck / The Oregon Trail: A New American Journey by Rinker Buck ... : Rinker buck revisits the oregon trail. . 2,388 likes · 4 talking about this. It was called the oregon trail because originally the first pioneers were going to oregon but after the gold rush of 1849, and then of course the mormons. It was the main trail leading west between 1843 and the civil war that essentially completed the creation of a country as a whole. A new american journey by rinker buck paperback $11.79. Pulliam national journalism writing award and the society of professional journalists sigma delta chi award. Rinker buck is no stranger to grand adventures. Rinker buck revisits the oregon trail. A crazy whim of a trip on a covered wagon turns into an inspired exploration of american identity. A century later, writer and explorer. Looking for books by rinker buck? Traveling the Oregon Trail by covered wagon, 170 years ... from img.apmcdn.org His new memoir recounts what happened wh...
Comments
Post a Comment